I.ブリュナエンジンについて
ブリュナエンジンとは、フランス人技師ポール・ブリュナによってフランスから輸入(製造国は不詳)され、明治5年の富岡製糸場創業時より、繰糸器を動かす動力源として使われた、「横置き単気筒蒸気機関」であります。
設置時は、繰糸所とは別棟の蒸気釜所に据え付けられており、地面の下を通って動力が伝達されていたと言われています。
大正9年に動力源が電気モーターに置き換わったとされるまでの約50年間使われ、その後、昭和43年に愛知県犬山市にある「博物館 明治村」に寄贈、展示されています。
なお、エンジンの名称は、ポール・ブリュナの名に因んで「ブリュナエンジン」と呼ばれていますが、富岡市・富岡商工会議所・明治村の3者で商標登録されています。

博物館「明治村」所蔵
Ⅱ.事業目的
富岡市工業界が「富岡製糸場と絹産業遺産群」の世界遺産登録機運を盛り上げる取り組みであることは勿論のこと、将来に残せる工業界のシンボルとして位置づけ、地域企業が一体となって「ブリュナエンジン」のレプリカ製作に挑戦する。
また、この製作事業を通じて地域工業界の人材交流や情報交換をもって技術の幅を広げ、厚みをもった営業戦略のキッカケ作りとしたい。そのためにも、完成させる迄のプロセスを第一として地域の連帯感を強固にし、この事業に参加したことを誇りとなるよう他に恥じないものに仕上げ、富岡市の基幹産業である工業界の「ものづくり力」を発信し、更なる振興・発展に繋げて行きたい。
Ⅲ.4年間の活動実績
1.会議関係
1.準備委員会開催 1回
2.委員会開催(全体会議) 5回
3.打合せ会議開催 36回
4.完成報告会開催 1回
2.作業関係
1.明治村への視察及びエンジン測定作業 4回(延べ6日)
2.鋳造業者への視察・打合せ 1回
3.設計作業
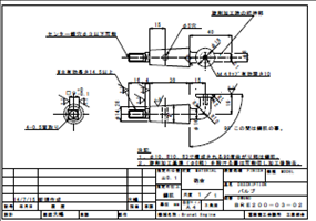
平成25年1月のエンジン測定以降、設計担当者が図面製作に取り組む。
4.事務所を設置しての検証作業
平成26年8月18日から富岡商工会館2階に製作委員会事務所を設置し、
設計担当者が図面の検証や1/5モデル製作による検証作業を連日行う。
5.部品発注作業、部品製作 平成27年4月1日~
6.エンジン組み付け作業 平成27年11月19日~12月16日
7.エンジン作動試験 平成27年12月17日
8.エンジン検証作業 平成28年1月25日~3月31日
3.PR活動
1.新聞掲載 23回
2.参加企業名刺作成 1回
3.ポスター作成 1回
4.PRチラシ作成 1回(新聞折込)
5.NHKラジオ放送 1回(生中継)
6.NHKテレビ放映 4回(生中継2回、収録2回)
Ⅳ.年度別事業
平成24年度(委員会の設置~測定作業~外観測定データ作成)
平成24年7月1日、富岡市当局から富岡商工会議所が委託を受け、先ず富岡商工会議所内に準備委員会を設置し、組織づくりや今後のスケジュール検討から着手した後、工業部会会員企業412社に参加協力を呼びかけた。結果、37企業(当初)より製作協力の申し出があり、その企業をもって「ブリュナエンジン製作委員会」を組織し、事業の第一歩をスタートさせた。
エンジンの製作にあたっての困難な点は、設計図が無いということは言うまでもないが、実物が遠方(愛知県犬山市「明治村」)にあることや、貴重な産業遺産として展示されているため、分解が不可能であることなどが挙げられる。このことを踏まえ、エンジンの図面づくりにあたっては、光学測定器による外観データ取りが有効かつ不可欠であるとの考えから、測定業者を交えての検討や設計チームを編成しての現地視察などを行い、準備を進めた。
その後、所有者・維持管理者である「明治村」と「中部産業遺産研究会」の理解と協力のもと、測定業者や設計チームによる現地での測定作業を終え、外観測定データ(STLデータ)を作成した。なお、光学測定が不可能であった「油等で光る部分や陰になり見えない部分」の実測や手書きスケッチを始め、内部構造や材質などについても情報収集や検討を行った。
24年9月18日 第1回製作委員会(全体会議) |
24年11月6日 明治村へのエンジン視察 |
25年1月15日・16日 エンジン測定作業 |
エンジンの外観測定データ図 |
平成25年度(2次元CADによる部品図作成~3次元CAD化)
平成24年度に作成した外観測定データ(STLデータ)を基に、「ブリュナエンジン製作委員会」の中から協力を申し出ていただいた設計メンバーチームが中心となって部品図面の製作を行った。
図面の製作を進めて行く過程で、外観測定データとして取り切れていない部分や内部構造などは、あらためて「明治村」へ出向き、実測を行うことによって補完しながら部品の図面化を進め、2次元CADデータによる部品図を完成させた。
その後、図面の正確さの確認やエンジン製作後の不具合を事前に検証するため、3次元CADデータ化しながらパソコン画面上で組み付け作業を行い、製作に向けて万全を期す取り組みを図った。
25年7月17日・18日 エンジン測定作業 |
設計打合せ会議 |
2次元CAD図(部品図) |
3次元CAD図(全体図) |
26年1月15日 NHKラジオ生出演 |
PRポスターを参加企業・関係機関へ配布 |
平成26年度(部品図の検証作業~1/5サイズのレプリカ製作)
「蒸気を動力源とした動体展示」を想定した完成度の高いレプリカ製作のために、過去2年間にわたって作成した部品図(2次元CAD図及び3次元CADデータ)を1つ1つ再確認すると共に、1/5サイズのレプリカエンジンを製作し、エアー及び蒸気を使った作動検証を行うなど、実物大での製作に万全を期す取り組みを行った。
特に、図面の検証作業を効率よく進めて行くために8月18日から富岡商工会館2階にブリュナエンジン製作委員会事務所が設置され、設計担当者による作業が連日行われた。
商工会館内に製作委員会事務所を設置 |
図面検証作業 |
1/5サイズで製作したレプリカエンジン |
![]() |
エアー及び蒸気を使っての検証作業 |
![]() |
平成27年度(部品の製作~組み付け~作業検証~完成)
市からの補助金を得て、実物大によるレプリカ製作に取り組んだ。
鋳物の発注を始め、市内の協賛企業に発注して製作された部品を11月19日から組み付けし、12月17日には蒸気を使った作動試験を成功させた。
その後、作動試験を繰り返し、若干の調整作業はあったものの、実物大によるレプリカエンジンを完成させることができた。
なお、本製作事業を広くアピールするため、市民向けPRチラシを作成して新聞折込を行うと共に、エンジン完成の様子は新聞各社やNHKテレビなどでも取り上げられ、大きな反響を得た。
市民向けPRチラシ(27年11月6日新聞折込) |
27年11月19日からの組み付け作業 |
![]() |
![]() |
![]() |
![]() |
27年12月17日 エンジン作動試験 |
28年1月15日・16日 NHKテレビ生中継 |
![]() |
|
ブリュナエンジン製作委員会参加企業様(順不同・敬称略)(株)IHIエアロスペース、(株)IHIエアロスペースエンジニアリング、(有)アクツ総合サービス、(株)アーク、(株)エルグ、(有)栄進企業、沖電気工業(株)富岡工場、(株)落合製作所、加藤金属工業(株)、(有)ケイビーインダストリー、小板橋電機(有)、(株)コスモインダストリー、(株)コマキン、新栄工業(株)、(株)石匠苑、(有)滝製作所、田中貴金属工業(株)富岡工場、(株)田中製作所、(株)ティー・アイ・イー、勅使河原鉄建(株)、東京カリント(株)群馬工場、富岡飯塚電気(株)、日本光電富岡(株)、(株)ニューケミカル、(株)ヌカベ、野口精工(株)、(株)野口製作所、まさ工房、(株)松金、(有)マルニ精機、(株)ミツバ富岡工場、(株)村上製作所、茂木プレス工業(株)、(有)モリクラフト、森田製作所、山口精機(株)、(株)湯浅製作所、(株)ヨコオ
ご協力ありがとうございました。






